محصولات
GB استاندارد گلوب شیر
  • GB استاندارد گلوب شیرGB استاندارد گلوب شیر

GB استاندارد گلوب شیر

شیرهای گلوب استاندارد J41H، J41Y و J41W نوع GB با کیفیت بالا و سفارشی توسط JQF Valve، تولید کننده شیرآلات حرفه ای در چین تولید می شوند. قسمت های باز و بسته شدن آنها دیسک های سوپاپ استوانه ای است و سطح آب بندی یا صاف یا مخروطی است. دیسک های شیر به صورت خطی در امتداد خط مرکزی سیال حرکت می کنند. شیرهای گلوب استاندارد GB فقط برای کاربردهای کاملاً باز یا کاملاً بسته مناسب هستند و عموماً برای تنظیم جریان استفاده نمی شوند، اما تنظیم جریان و دریچه گاز را می توان با توجه به نیاز مشتری انجام داد.
Foshan Jinqiu Valve Co., Ltd. is a manufacturing factory integrating valve R&D, manufacturing, sales, and service. Our durable GB standard globe valves are specifically designed for oxygen pipelines, ensuring safe, stable, and efficient operation. Made from high-quality materials and undergoing rigorous degreasing and cleaning processes, these valves effectively prevent combustion risks and guarantee reliable sealing performance.

شیر گلوب استاندارد GB موجود در انبار برای محدوده فشار PN1.6-PN16 و اندازه های DN15-DN400 مناسب است و همیشه در صنایع متالورژی، شیمیایی، گاز پزشکی و انرژی استفاده می شود.

ویژگی های ساختاری

ما به طور مداوم نوآوری می کنیم و تعالی را دنبال می کنیم و با دریچه های گلوب استاندارد GB با کیفیت بالا و خدمات مشتریان برجسته، همگام با زمانه هستیم! ما به طور فعال تجهیزات پیشرفته، مدیریت سازمانی و پرسنل خدمات فنی را معرفی می کنیم و در تلاش برای ایجاد یک برند شیرآلات داخلی و بین المللی با کیفیت بالا هستیم. ما از مشتریان جدید و قدیمی استقبال می کنیم تا از امکانات ما بازدید و بازرسی کنند، برای منافع متقابل همکاری کنند، و مشترکاً آینده بهتری ایجاد کنند!

استاندارد اجرایی

مشخصات طراحی: GB / T 12235
طول ساختار: گیگابایت / T 12221
اتصال فلنج: JB / T 79
تست و بازرسی: JB / T 9002
شناسه محصول: GB / T 12220
مشخصات تحویل: JB / T 7928

ویژگی ها

1. ساختار ساده و بهینه شده: طراحی ساده کارایی ساخت قطعات و تعمیر و نگهداری تجهیزات را تا 30% بهبود می بخشد. 2. کنترل باز و بسته شدن آنی: طراحی ساختار میکرو ضربه ای به سرعت پاسخ باز و بسته شدن 0.8 ثانیه در هر چرخه دست می یابد. 3. سیستم آب بندی طولانی مدت: فن آوری سطح آب بندی خود روان کننده ضریب اصطکاک بسیار کم را به دست می آورد. لایه آب بندی کامپوزیت دارای طول عمر ضد پیری بیش از 50000 چرخه باز و بسته شدن است.

پارامترهای عملکرد

مدل J41H-16C~160C J41Y-16C~160C J41W-16P~160P
فشار کاری (MPa) 1.6-16.0
دمای مناسب (℃) ≤425 ≤150
رسانه مناسب آب، بخار، روغن محیط خورنده ضعیف
مواد بدنه، کاپوت فولاد کربن فولاد ضد زنگ کروم نیکل تیتانیوم
میل سوپاپ فولاد ضد زنگ کروم فولاد ضد زنگ کروم نیکل تیتانیوم
سطح آب بندی روکش آلیاژهای مبتنی بر آهن آلیاژ هاردفینگ مواد بدنه
پرکننده گرافیت آزبست، گرافیت انعطاف پذیر، PTFE

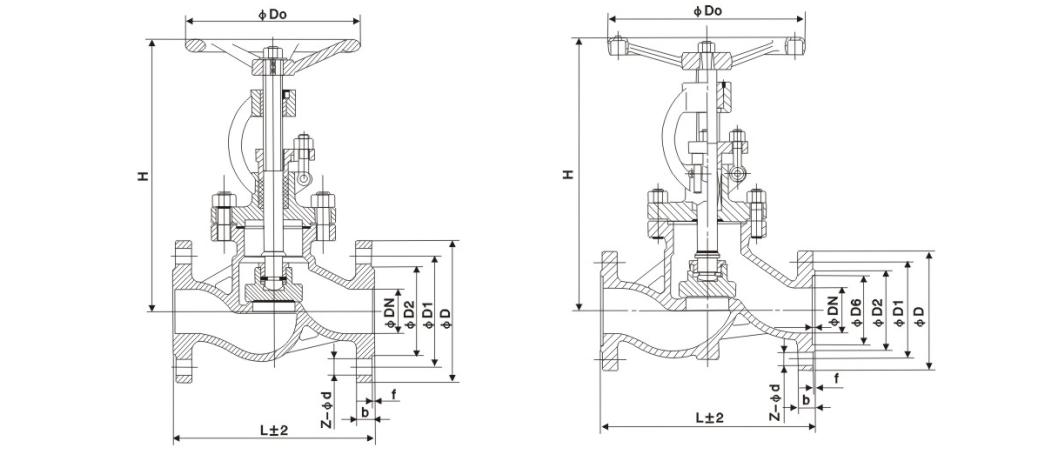
شکل اصلی و اندازه اتصال

قطر اسمی ابعاد اصلی و ابعاد اتصال
L D D1 D2 b Z-d H D0
J41H-16C
15 130 95 65 45 14-2 4-Φ14 170 120
20 150 105 75 55 14-2 4-Φ14 190 140
25 160 115 85 65 14-2 4-Φ14 205 160
32 180 135 100 78 16-2 4-Φ18 270 180
40 200 145 110 85 16-3 4-Φ18 310 200
50 230 160 125 100 16-3 4-Φ18 358 240
65 290 180 145 120 18-3 4-Φ18 373 240
80 310 195 160 135 20-3 8-Φ18 435 280
100 350 215 180 155 20-3 8-Φ18 500 300
125 400 245 210 185 22-3 8-Φ18 614 320
150 480 280 240 210 24-3 8-Φ23 674 360
200 600 335 295 265 26-3 12-Φ23 811 400
250 650 405 355 320 30-3 12-Φ25 969 450
300 750 460 410 375 30-3 12-Φ25 1145 580
350 850 520 470 435 34-4 16-Φ25 1280 640
400 980 580 525 485 36-4 16-Φ30 1452 640
J41H-25C
15 130 95 65 45 16-2 4-Φ14 170 120
20 150 105 75 55 16-2 4-Φ14 190 140
25 160 115 85 65 16-2 4-Φ14 205 160
32 180 135 100 78 18-2 4-Φ18 270 180
40 200 145 110 85 18-3 4-Φ18 310 200
50 230 160 125 100 20-3 4-Φ18 358 240
65 290 180 145 120 22-3 8-Φ18 373 240
80 310 195 160 135 22-3 8-Φ18 435 280
100 350 230 190 160 24-3 8-Φ23 500 300
125 400 270 220 188 28-3 8-Φ25 614 320
150 480 300 250 218 30-3 8-Φ25 674 360
200 600 360 310 278 34-3 12-Φ25 811 400
250 650 425 370 332 36-3 12-Φ30 969 450
300 750 485 430 390 40-4 16-Φ30 1145 580
350 850 550 490 448 44-4 16-Φ34 1280 640
400 980 610 550 505 48-4 16-Φ34 1452 640

تصویر سازه

تگ های داغ: GB Standard Globe Valve، چین، سفارشی، کیفیت، بادوام، پیشرفته، سازنده، تامین کننده، کارخانه، موجود
ارسال استعلام
اطلاعات تماس
  • نشانی

    شماره 1، جاده اول شمالی، شهر جدید فولاد ضد زنگ، جاده جهانی غرب لکونگ استیل، منطقه Shunde، شهر فوشان، استان گوانگدونگ، چین

  • پست الکترونیک

    jinqiufamen@gmail.com

برای پرس و جو در مورد شیرهای دروازه، شیرآلات گلوب و چک دریچه یا لیست قیمت، لطفا ایمیل خود را به ما بسپارید و ما ظرف 24 ساعت با شما تماس خواهیم گرفت.

X
ما از کوکی ها استفاده می کنیم تا تجربه مرور بهتری به شما ارائه دهیم، ترافیک سایت را تجزیه و تحلیل کنیم و محتوا را شخصی سازی کنیم. با استفاده از این سایت، شما با استفاده ما از کوکی ها موافقت می کنید. سیاست حفظ حریم خصوصی
رد کردن قبول کنید