محصولات
API Check Valve
  • API Check ValveAPI Check Valve

API Check Valve

شیرهای بررسی API با کیفیت بالا Jinqiu Valve مطابق با استانداردهای ASME، API و GB هستند. این شرکت مجهز به مراکز ماشینکاری پیشرفته CNC و تجهیزات برش فلز، از فناوری CAD/CAM در طراحی و ساخت محصول، با رعایت استانداردهای ISO9001 برای اطمینان از دقت و کیفیت قطعات شیر ​​بازرسی API خود استفاده می‌کند.

Jinqiu Valve، یک تولیدکننده حرفه‌ای شیرهای چک در چین، شیرهای بازرسی API ما کاملاً مطابق با استانداردهای آمریکایی طراحی و تولید می‌شوند. این شیرها دارای ساختاری زیبا و فناوری پیشرفته هستند. شیرهای چک API به طور خودکار دیسک شیر را بر اساس جریان خود محیط باز و بسته می کنند تا از جریان برگشتی جلوگیری شود. آنها همچنین به عنوان دریچه های یک طرفه، شیرهای برگشتی یا شیرهای جریان برگشتی شناخته می شوند. عملکرد اصلی آنها جلوگیری از جریان برگشتی محیط، جلوگیری از برگشت پمپ و موتور محرکه و جلوگیری از نشت محیط در داخل ظرف است.


1. مقاومت جریان کم: هنگامی که شیر چک API کاملاً باز است، مسیر جریان تقریباً بدون مانع است و در نتیجه افت فشار کم می شود.
2. بستن سریع و جلوگیری از جریان برگشتی: عمل اهرمی دیسک شیر امکان پاسخ سریع و بسته شدن را حتی در شروع جریان برگشتی فراهم می کند.
3. کاربرد گسترده: مناسب برای طیف وسیعی از قطر لوله، از DN50 تا DN1200 و بالاتر.

پارامترهای عملکرد

شماره سریال نام پروژه پارامتر
1 فشار اسمی PN (MPa) 150 لیتر 300 لیتر 600 لیتر 900LB 1500LB 2500LB
2.0 5.0 10.0 15.0 25.0 42.0
2 فشار تست مقاومت پوسته فشار اسمی در دمای اتاق 1.5 بار
3 فشار تست مهر و موم فشار بالا فشار اسمی در دمای اتاق 1.1 بار
4 فشار کاری در دمای اتاق درجه بندی فشار و دما ASME B16.34 را فشار دهید

مشخصات محصول

استانداردهای طراحی طول سازه اندازه اتصال فلنج تست و بازرسی مرجع فشار و دما
API6D/ASME B16.34 ASME B16.10 ASME B16.5 API598/API6D ASME B16.34

مواد قسمت اصلی

نام قطعه نام مواد
بدن A216 WCB A217 WC6 A351 CF8 A351 CF8M A351 CF3 A351 CF3M
درپوش A216 WCB A217 WC6 A351 CF8 A351 CF8M A351 CF3 A351 CF3M
صفحه سوپاپ A216 WCB A217 WC6 A351 CF8 A351 CF8M A351 CF3 A351 CF3M
سطح آب بندی 13Cr/STL STL بدن / STL بدن / STL بدن / STL بدن / STL
شفت سوپاپ A182 F6a A182 F11 A182 F304 A182 F316 A182 F304L A182 F316L
واشر گرافیت انعطاف پذیر گرافیت انعطاف پذیر گرافیت انعطاف پذیر گرافیت انعطاف پذیر گرافیت انعطاف پذیر گرافیت انعطاف پذیر
پیچ A193 B7 A193 B16 A193 B8 A193 B8M A193 B8 A193 B8M
مهره A194 2H A194 4 A194 8 A194 8M A194 8 A194 8M
دمای عملیاتی -29 ~ 425 ℃ -29 ~ 540 ℃ -46 ~ 425 ℃ -46 ~ 425 ℃ -46 ~ 425 ℃ -46 ~ 425 ℃
رسانه مناسب بخار بخار خورنده ضعیف خورنده ضعیف خورنده ضعیف خورنده ضعیف

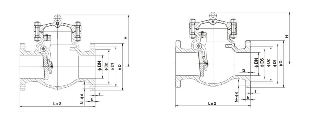
شکل اصلی و ابعاد اتصال

قطر اسمی اندازه
m در L D D1 D2 b f n-Φd H
H44H-150Lb
50 2 203 152 120.5 92 16 1.6 4-19 180
80 3 241 192 152.5 127 19 1.6 4-19 190
100 4 297 229 190.5 157 24 1.6 8-19 203
125 5 330 254 216 186 24 1.6 8-22 229
150 6 356 279 241.5 216 26 1.6 8-22 257
200 8 495 342 298.5 270 29 1.6 8-22 292
250 10 622 406 362 324 31 1.6 12-25 355
300 12 698 483 432 381 32 1.6 12-25 396
H44H-300Lb
50 2 267 165 127 92 23 1.6 8-19 178
80 3 318 210 168.5 127 29 1.6 8-22 216
100 4 356 254 200 157 32 1.6 8-22 241
125 5 400 279 235 186 35 1.6 8-22 267
150 6 444 318 270 216 37 1.6 12-22 305
200 8 533 381 330 270 42 1.6 12-25 368
250 10 622 445 387 324 48 1.6 16-29 394
300 12 711 521 451 381 51 1.6 16-32 445
H44H-600Lb
50 2 295 165 127 92 33 6.4 8-19 203
80 3 359 210 168 127 36 6.4 8-22 235
100 4 435 273 216 157 45 6.4 8-25 286
125 5 511 330 266.5 186 52 6.4 8-29 292
150 6 562 356 292 216 55 6.4 12-29 330
200 8 664 419 349 270 63 6.4 12-32 381
250 10 791 510 432 324 71 6.4 16-35 457
300 12 842 559 489 381 74 6.4 20-35 584

تصویر سازه

تگ های داغ: API Check Valve، چین، سفارشی، با کیفیت، بادوام، پیشرفته، سازنده، تامین کننده، کارخانه، موجود
ارسال استعلام
اطلاعات تماس
  • نشانی

    شماره 1، جاده اول شمالی، شهر جدید فولاد ضد زنگ، جاده جهانی غرب لکونگ استیل، منطقه Shunde، شهر فوشان، استان گوانگدونگ، چین

  • پست الکترونیک

    jinqiufamen@gmail.com

برای پرس و جو در مورد شیرهای دروازه، شیرآلات گلوب و چک دریچه یا لیست قیمت، لطفا ایمیل خود را به ما بسپارید و ما ظرف 24 ساعت با شما تماس خواهیم گرفت.

X
ما از کوکی ها استفاده می کنیم تا تجربه مرور بهتری به شما ارائه دهیم، ترافیک سایت را تجزیه و تحلیل کنیم و محتوا را شخصی سازی کنیم. با استفاده از این سایت، شما با استفاده ما از کوکی ها موافقت می کنید. سیاست حفظ حریم خصوصی
رد کردن قبول کنید